86-18912625555

IM4000plus

一台仪器同时具备"截面研磨(Cross Section Milling)"和"平面研磨(Flat Milling)"两种功能。 通过更换样品座、可以满足广泛的应用需求。

IM4000PLUS加工速率更高

与日立SEM联用

间歇加工 减少热损伤

截面研磨/平面研磨的两用前处理装置

一台仪器同时具备"截面研磨(Cross Section Milling)"和"平面研磨(Flat Milling)"两种功能。通过更换样品座、可以满足广泛的应用需求。

截面研磨

为了对样品内部结构进行观察、分析,必须让样品内部结构显露出来。
AI识图、而通过切割或机械研磨的截面,不可避免因应力而产生变形和损伤,因此很难得到SEM分析所需要的平滑表面。
日立离子研磨装置使用大面积低能量的Ar离子束,加工出无应力损伤的截面,为SEM观察样品的内部多层结构、结晶状态、异物解析、层厚测量等提供有效的前处理方法。

原理

样品和离子枪之间放置了遮挡板(Mask),样品的上端略突出遮挡板,离子束从遮挡板上方照射到样品上、沿着遮挡板的边缘,加工出平坦的截面。

特点.应用

 制成的低损伤的截面便于表层以下内部结构分析。

 适用样品:电子元件如IC芯片、PCB、LED等(多层、裂痕、孔洞分析)、金属(EBSD晶体结构、EDS元素分析、镀层)、高分子材料、纸、陶瓷、玻璃、粉末等。

 可移动的样品座可精确定位、实现对特定位置的研磨(详见说明书)。

 最大样品:宽20 mmx长12 mmx厚7mm

 联用样品台在机械研磨、离子研磨、SEM观察(Hitachi机型)之间不用更换样品台。



样品:热敏纸

刀片切割后的截面

离子研磨后的截面


平面研磨

SEM在观察金相组织和材料缺陷时需要经过特殊的样品制备方法。传统的机械研磨抛光会使表面产生变形、损伤或划痕无法获得样品的真实结构。通过日立IM4000可对样品进行无应力加工,用于去除样品的表层、加工出低损伤平面,也可用于机械研磨的后续加工工序。

原理

如果离子束中心轴和样品台旋转中心轴是一致的,则加工出的轮廓反映了离子束流密度分布,即中心部分较深的形状。平面研磨法是利用离子束中心轴和样品台旋转中心轴之间有一定的偏心量,从而获得均一的大范围加工面。

特点.应用

 均匀加工范围直径约5 mm

 能除去用机械研磨难以除去的细微损伤和变形

 可用于多种分析目的的大面积研磨

结晶晶界的观察、多层膜的观察:
离子束照射角小的时候,离子束的加工速率与样品的结晶取向、组成相关性大,利用这个加工速率的差别可以加工出形如浮雕的平面。

界面的观察、元素分析、EBSD*分析:
离子束照射角大的时候,离子束的加工速率与"At、组成相关性不大,可以加工出平坦的样品表面。

 最大样品尺寸:直径50 mmx高25 mm

 有旋转加工和摆动加工两种方式可选:

除了旋转加工方式,还增加了摆动加工方式,摆动角度为土60或士90。可选择多种加工方式(速度、转动方式可调),从而加工出比较平坦的表面。


样品:钢材

机械抛光后

平面离子研磨后


IM4OOO SEries 功能
IM4000PLUS加工速率更高


IM4000PLUS提高了离子束流的密度使得研磨速率大幅度的提高。(研磨速率:500pm/hr,相对于IM4000增大了50%*1@加速电压6kV,Si材料)


*1相对于Mask截面样品伸出100Hm,加速电压:6 kV

IM4000PLUS

样品:Si片

IM4000PLUS加工结果


与日立SEM联用


 可直接把经IM4000/IM4000PLUS研磨后的样品放入日立SEM中进行观测,而不用把样品从样品台上取下。

 平面样品座和截面样品座都可放入日立大开仓式SEM直接观察。

 SEM观察后可再次研磨。

 采用微分尺调整遮挡板(Mask),对其位置进行精细调整。


间歇加工 减少热损伤

离子束自动开关可有效地减轻样品热损伤。

样品:含铅焊锡

连续加工

间歇加工


BSE图像
SEM: SU5000


低温控制功能*2


配备低温控制功能的IM4000PLUS

离子研磨的同时用液氮冷却装置对样品加工区域进行冷却。

使用冷却系统,对热敏材料非常有效。

温度控制系统可防止过度冷却后材料产生裂隙。

*2 IM4000/IM4000PLUS选配项

样品:硅胶

无冷却

有冷却


BSE图像
SEM: SU5000

选项
真空转移盒(选配)

如需要避免样品和大气接触可以选配真空转移盒单元。
在真空转移盒中的样品可直接转移到真空仓内。
因此,通过IM4000/IM4000PLUS加工后的样品可避免与大气接触,直接转移到SEM*1 、 FIB*1 、或SPM*2中。


*1 配有真空转移样品交换仓的日立FE-SEM或FIB

*2 配有真空转移样品交换仓的日立SPM


样品:锂电池负极(充电后)

无真空转移盒保护

有真空转移盒保护

SE图像
SEM: SU8200 系列



截面研磨样品台高精度定位(选配)

截面样品台配备了改进过的高精度定位工具*3 。
通过调节微分尺旋钮使遮挡板(Mask)精确定位。下图是Mask置于红线位置处(中心位置为20 μm pad)的TSV研磨结果。


*3: 比现有截面样品座移动精度高


样品:TSV (硅通孔)

精细调节后的光镜图片

截面研磨后

BSE图像
SEM: SU8020


超硬合金 Mask(选配)

为了配合更高的研磨加工速率,超硬合金Mask的硬度是标配Mask的两倍,因此可经受更长时间的离子束研磨。


样品: 硬质合金钻头, 研磨时间: 4h

截面研磨区域

左图放大后

BSE图像
SEM: SU5000


     
实时观察显微镜(选配)

可以加装实时观察用的显微镜(选配),实现15 ~ 100倍的实时观测。

此外,三目型显微镜可以加装CCD相机,在显示器上进行观察(选配)*4。


*4 CCD相机和显示器是当地采购

应用实例
应用(截面研磨)

样品:含铅焊锡

BSE图像
SEM: SU5000

样品:钕磁石

BSE图像
SEM: SU5000

样品:Lanthanum-doped Ceria

样品提供: Prof. Katsunori Hanamura, Tokyo Institute of Technology

BSE图像
SEM: SU5000

样品:纳米柱

样品提供: Prof. Masahiko Yoshino, Tokyo Institute of Technology

BSE图像
SEM: SU5000

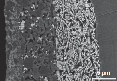
样品:热敏纸

BSE图像
SEM: SU8200 系列

样品:涂层

BSE图像
SEM: SU8200 系列


应用(平面研磨)

对碳纤维的平面研磨后,观察到了聚丙烯腈纤维在纺丝过程中可能引起的聚合物屈曲结构。


样品: PAN (聚丙烯腈) 碳纤维

离子研磨前

SE图像
SEM: SU8020

离子研磨后

SE图像
SEM: SU8020


经过机械抛光后的金相观察有明显的划痕损伤,但经过离子研磨后可进行很好的观察。


样品:铬钼钢

离子研磨前(表面机械抛光)

BSE图像
SEM: S-3400N

离子研磨后

BSE图像
SEM: S-3400N


经过FIB加工过后无法观测到掺杂层,但再经过0.5 kV的Ar离子平面研磨后可以显现出。


样品: SRAM

离子研磨前(FIB 表面加工)

SE图像
SEM: SU8200系列

FIB加工&离子研磨

SE图像
SEM: SU8200系列


EBSD & SPM应用

EBSD

样品的BSE观测与EBSD晶粒取向分析。

样品:铁陨石(截面研磨)

BSE图像
 SEM: SU5000

IPF*1 Map (Z)
*1 IPF: Inverse Pole Figure


SPM

机械抛光后的平面经离子研磨可显著地改善AFM磁畴图像的清晰度。

样品: 热处理后的钕磁石 (平面研磨)

离子研磨前 (机械抛光)

离子研磨后


样品提供: Daido Steel Co., Ltd.

MFM*2图像 SPM: AFM5300E

*2: MFM(磁力显微镜)


SEM图像中异常的对比度区域,通过SPM的SSRM*3图像观察发现为低阻抗区。

样品:锂电池负极(截面研磨)

主要参数
项目IM4000IM4000PLUSIM4000IM4000PLUS
截面研磨平面研磨
使用气体氩气
加速电压0 到 6 kV
最大加工速率(材料: Si)≧ 300 μm/hr*4≧ 500 μm/hr*4-
最大样品尺寸20(W)× 12(D)× 7(H)mmΦ50 × 25 (H) mm
样品移动范围X±7 mm, Y 0 到 +3 mmX 0 到 +5 mm
间歇加工标配
旋转速度1 r/m, 25 r/m
摆动角度±15°, ±30°, ±40° *5±60°, ±90°
倾斜-0 到 90°
氩气(Ar)流量控制方式质量流量控制
真空系统涡轮分子泵(33 L/S) + 机械泵(135 L/min @ 50 Hz,、162 L/min @ 60 Hz)
装置尺寸616(W)× 705(D)× 312(H)mm
重量主机48 kg + 机械泵28 kg
IM4000 / IM4000PLUS 冷却温度控制单元
冷却温度控制功能通过液氮间接冷却、温度范围: 0 到 -100℃
选配
真空转移盒截面研磨可用
截面研磨样品座(FP)100 μm/圈*6
加工实时观测显微镜双目型,三目型(加CCD)

*4 Si片突出遮挡板(Mask)边缘100 μm
*5 冷却时摆动角度为±15°和±30°
*6 Mask的移动精度有所提高,其移动步长变为目前的1/5

其他

安装要求

项目内容
室温15 到 30 ℃
湿度45 到 85 % 无结露
电源*7AC100 V(±10%)、50/60 Hz,、1.25 kVA
地线小于100 Ω

需客户准备物品

项目内容
氩气纯度99.99%
氩气导入0.03 到 0.05 MPa
氩气导入管*81/8英尺SUS配管(1/8卡套接头Swagelok)、减压阀
氧浓度计*9可以确认氧浓度19%以上
推荐摆放台1,000(W)×800(D)×700(H)mm以上,承重70 kg以上(只摆放了IM4000情况下的下限值)

*7 IM4000和IM4000PLUS配备的是三角插头电源线或M6接线端子
*8 需配备连接氩气源(氩气瓶)管道、请准备与气体供给设备(氩气瓶)匹配的减压阀
*9 需准备通风和空气质量测量装置

布局图例 (单位:mm)

111.jpg